дизаин: wizart-bg.com

 

 

 

 

 

 

 

 

 

 

 

 

 

 

 

 

 

 

 

 

 

 

 

 

 

 

 

 

 

 

 

 

 

 

 

 

 

 

 

 

..... БРОЯЧИ НА ИМПУЛСИ
......ЦЕНИ
1. Брояч на импулси,цифров, триразряден с индикация-БИП3 ........................................ ....... 50
2. Брояч на импулси, цифров,четириразряден тип с индикация-БИП4 .................................. .58
3. Брояч на импулси с цифрова индикация шестразряден-БИ - 6 ........................................... 44
4. Брояч на импулси микропроцесорен, с памет, монтаж еврошина ........................... ............45
Забележка: Заплащане в лева, всички цени са без ДДС.
 
...... БИП - 3 и БИП - 4
Брояч на импулси триразряден и четириразряден
Обхват на броене /импулси/ - (1 - 999)и от (1 - 9999)
Ном. захр. напрежение - 220VАС; 24V АС/DС
Допустим товарен ток на контактите - 10А
Изходно напрежение за захранване на датчика -12 DС
Брой на контактните групи - една
Максимално консумиран ток - 150mА
Електрическо свързване -11 позиц. цокъл
Габаритни размери /mm/ -120/90/45
Степен на защита - 1Р20
 
...... БИП - 6
Брояч на импулси шестразряден
Обхват на броене /импулси/ -1 - 999999
Ном. захр. напрежение - 220V АС; 24V АD/ОС
Максимално консумиран ток 150mА
Цифрова индикация - 6 разряда
Електрическо свързване -11 позиционен цокъл
Габаритни размери /mm/ -120/90/45
Степен на защита - 1Р20
 
..... Брояч на импулси микропроцесорен
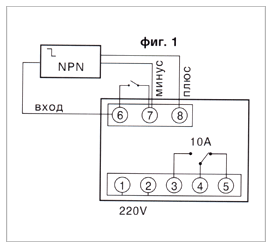
Захранване: 220V АС 50Нz клеми 1 и 2
Релейни изходи: 3,4,5 като на схема 1.
Бутон клеми 6 и 7
Индуктивен датчик NPN клеми 6 вход, 7 минус, 8 плюс
Степен на защита IР 40.
Обхват на броене 1 ....9999 импулса, с делител по 255.
За автоматично стартиране с подаване на захранването трябва да бъде избран режим Аuto.